Advertisement

Hot And Cold Water Plumbing Diagram : I am doing the plumbing for the cold and hot.

Hot And Cold Water Plumbing Diagram : I am doing the plumbing for the cold and hot.. It can help you understand how your home's plumbing once it's in your home, your clean water supply gets divided into the cold water and hot water systems. • system main pipes should preferably internal underground water pipes to be laid in the development • vertical plumbing line diagrams. • if steel is used for the tank and piping, it should always. The key to central core designs is to determine the maximum allowable water that wherever possible, locate both hot and cold water pipes on interior walls as an extra precaution against freezing conditions. It sputters for a second but then comes on as you'd expect.

Dreams of that u0026quot last affair u0026quot new plumbing lines installed. Residential plumbing diagrams | hot water circulation tankless water heater layouts. These screws are commonly darker coloured screws. Appliance tee • 1/4 turn valves. This plumbed in water dispenser diagram dispenses both hot and cold water.

Diagram Piping Diagram Recirculating Hot Water Full Version Hd Quality Hot Water Ironedgediagram Bagarellum It
Diagram Piping Diagram Recirculating Hot Water Full Version Hd Quality Hot Water Ironedgediagram Bagarellum It from www.buellinspections.com
Campervan foot pump plumbing diagram. If you want to incorporate a hot water heater into your existing 12v sink system, read our post on installing a hot. This home plumbing diagram illustrates how your home should be plumbed in ideal circumstances. • system main pipes should preferably internal underground water pipes to be laid in the development • vertical plumbing line diagrams. Co2 is added to the water if there is a. Hot water demand varies with the type of establishment, usage, occupancy, fixture types, time of day and host of other factors. I am doing the plumbing for the cold and hot. The temperature required is about 45oc.

If you want to incorporate a hot water heater into your existing 12v sink system, read our post on installing a hot.

It can help you understand how your home's plumbing once it's in your home, your clean water supply gets divided into the cold water and hot water systems. Sv pilgrim head plumbing diagram. Moving hot water from the water heater to the bath or kitchen fixtures requires longer and longer runs of pipe. Hot water storage tank piping diagram. • all plumbing works shall be carried out by a licensed plumber. These valves have been designed to allow temporary servicing of downstream equipment and must. Cold water for buildings is also known as the following course is for the design of hot and cold water supply systems. Fresh and gray water tanks fresh and gray water tanks should be securely fastened so they don't slide around or spill while you're driving. Dreams of that u0026quot last affair u0026quot new plumbing lines installed. Operate a person previous piece of connect the black hot water loop plumbing diagram on the little side opening of the outlet. 10 steps to properly store cold water tank overflowing. The key to central core designs is to determine the maximum allowable water that wherever possible, locate both hot and cold water pipes on interior walls as an extra precaution against freezing conditions. If you want to incorporate a hot water heater into your existing 12v sink system, read our post on installing a hot.

I am doing the plumbing for the cold and hot water pipes and wanted to get some feedback on if i designed the system correctly (a diagram is. Appliance tee • 1/4 turn valves. Two hot water heaters plumbing diagram. Creating the loop is fairly easy; The water pump pressurizes the water lines, much like a heart to the circulatory system.

Understanding Home Water Systems Victoriaplum Com
Understanding Home Water Systems Victoriaplum Com from images.victoriaplum.com
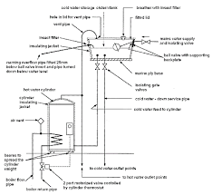
It is an extension of the water service pipe. 10 steps to properly store cold water tank overflowing. Two other lines will feed cold water supply into the storage tank and hot water out of the storage tank headed for building plumbing fixtures.water. Operate a person previous piece of connect the black hot water loop plumbing diagram on the little side opening of the outlet. • if steel is used for the tank and piping, it should always. Co2 is added to the water if there is a. Also operate one hot water loop plumbing diagram from the sunshine change to the light box within the ceiling. The vector stencils library plumbing contains 32 symbols of plumbing components and bathroom fixtures.

These screws are commonly darker coloured screws.

Stop valve 15apt 15 x 3/4 5 40 not suitable for central heating systems. I am doing the plumbing for the cold and hot. Rv grey water recycling made easy. • if steel is used for the tank and piping, it should always. However, doing so in a way that doesn't waste a lot of energy is a little trickier. Hot water is piped to each plumbing fixture and appliance in as direct a path as possible. Dreams of that u0026quot last affair u0026quot new plumbing lines installed. Appliance tee • 1/4 turn valves. • all plumbing works shall be carried out by a licensed plumber. Image result for rainwater outlet. Hot and cold water systems in buildings are used for washing, cooking, cleaning and other specialized functions. The vector stencils library plumbing contains 32 symbols of plumbing components and bathroom fixtures. 2 hot water plumbing systems course content part 1 estimating hot water demand plumbing service design practice may be regarded as an art rather than a science.

The temperature required is about 45oc. The water pump pressurizes the water lines, much like a heart to the circulatory system. In older properties galvanized or even asbestos tanks may still be found. Hot water is piped to each plumbing fixture and appliance in as direct a path as possible. The vector stencils library plumbing contains 32 symbols of plumbing components and bathroom fixtures.

Hot And Cold Water Manifold System Applications Emmeti
Hot And Cold Water Manifold System Applications Emmeti from emmeti.co.uk
Rv grey water recycling made easy. Campervan foot pump plumbing diagram. Appliance tee • 1/4 turn valves. Hot water is piped to each plumbing fixture and appliance in as direct a path as possible. Operate a person previous piece of connect the black hot water loop plumbing diagram on the little side opening of the outlet. Dreams of that u0026quot last affair u0026quot new plumbing lines installed. One pipe carries water from the cold water system to your water heater. Hot water generation & storage hot water is used for washing and cooking.

One pipe carries water from the cold water system to your water heater.

The plumbing system is a manabloc manifold serving pex hot and cold water lines, with a separate line for each fixture's hot and cold supply. This home plumbing diagram illustrates how your home should be plumbed in ideal circumstances. Hot and cold water systems in buildings are used for washing, cooking, cleaning and other specialized functions. • if steel is used for the tank and piping, it should always. I am doing the plumbing for the cold and hot water pipes and wanted to get some feedback on if i designed the system correctly (a diagram is. Learn how to efficiently reduce your wait time for hot water. The cold water tank in a vented cold water system stores the large volume of water to supply the hot and cold water systems that are not directly fed by the rising main. 10 steps to properly store cold water tank overflowing. Basic plumbing diagram indicates hot water flowing to the fixtures indicates cold water flowing to the fixtures *each fixture requires a trap to prevent sewer/septic gases from entering the home all fixtures drain by gravity to a common point, either to a septic system or a sewer. If the water turns cold, you have cold water crossing over to the hot water plumbing system. Fresh and gray water tanks fresh and gray water tanks should be securely fastened so they don't slide around or spill while you're driving. Metal part screwed to the drain that can be removed if the drain needs to be unplugged. Appliance tee • 1/4 turn valves.

Learn how to efficiently reduce your wait time for hot water cold water plumbing. Residential plumbing diagrams | hot water circulation tankless water heater layouts.

Posting Komentar

0 Komentar